Fast delivery within 1 Hours
Chevrolet Silverado 1500 2020 Service Manual Repair, Workshop Service Repair
$ 5,99
Description
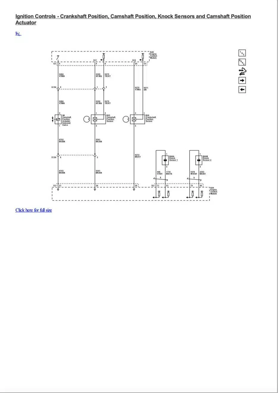
Comprehensive Car Repair & Maintenance Workshop Manuals Maintain and service your Chevrolet Silverado 1500 with confidence using these professional-grade workshop manuals. Carefully organized for clarity and practical use, the manuals provide detailed, step-by-step maintenance and repair procedures supported by clear diagrams, photographs, and technical illustrations. Manual DetailsLanguage: EnglishTotal Pages: 17,120 Coverage IncludesMaintenanceEngineEngine electrical systemFuel preparation and controlFuel supplyCooling systemExhaust systemClutchEngine and transmission mountingManual gearboxAutomatic transmissionGearshiftTransfer boxTwin-clutch gearbox (DKG)Front axle and front suspensionSteering and wheel alignmentRear axle and rear-wheel driveBrake systemPedalsWheels and tyresIntegrated suspension systemsBody structureBody equipmentSeatsSlide/tilt sunroof and soft topAudio, navigation, and information systemsDistance systems, cruise control, and remote operationElectric motorEngine and chassis parts and accessoriesBody parts and accessoriesCommunication systemsPaintWiring diagrams Why Choose These ManualsComprehensive coverage of all vehicle systemsClearly structured repair and maintenance proceduresEasy-to-follow instructions suitable for all skill levelsProfessionally illustrated technical guidanceIdeal for repeated reference during servicing and repairs Vehicle CompatibilityChevrolet Silverado 1500 (2020 – All Engines) Ideal ForDIY vehicle ownersAutomotive techniciansRepair workshops and service centers Shop with ConfidenceCustomer satisfaction is our priority. If you have any questions or need assistance, our support team is always available to help. Reliable information for accurate vehicle maintenance and repair






Reviews
Clear filtersThere are no reviews yet.