Fast delivery within 1 Hours
Chevrolet Silverado 2007-2014 Service Manual Repair, Workshop Service Repair
$ 5,99
Description
Comprehensive Car Repair & Maintenance Workshop Manuals 🚗
Maintain and service your vehicle with confidence using these professional-grade workshop manuals. Carefully organized for clarity and practical use, the manuals provide detailed, step-by-step maintenance and repair procedures supported by clear diagrams, photographs, and technical illustrations.
🔧 Manual Details:
-
Language: English
-
Total Pages: 12,195
📌 Coverage Includes:
-
Maintenance
-
Engine
-
Engine electrical system
-
Fuel preparation and control
-
Fuel supply
-
Cooling system
-
Exhaust system
-
Clutch
-
Engine and transmission mounting
-
Manual gearbox
-
Automatic transmission
-
Gearshift
-
Transfer box
-
Twin-clutch gearbox (DKG)
-
Front axle and front suspension
-
Steering and wheel alignment
-
Rear axle and rear-wheel drive
-
Brake system
-
Pedals
-
Wheels and tyres
-
Integrated suspension systems
-
Body structure
-
Body equipment
-
Seats
-
Slide/tilt sunroof and soft top
-
Audio, navigation, and information systems
-
Distance systems, cruise control, and remote operation
-
Electric motor
-
Engine and chassis parts and accessories
-
Body parts and accessories
-
Communication systems
-
Paint
-
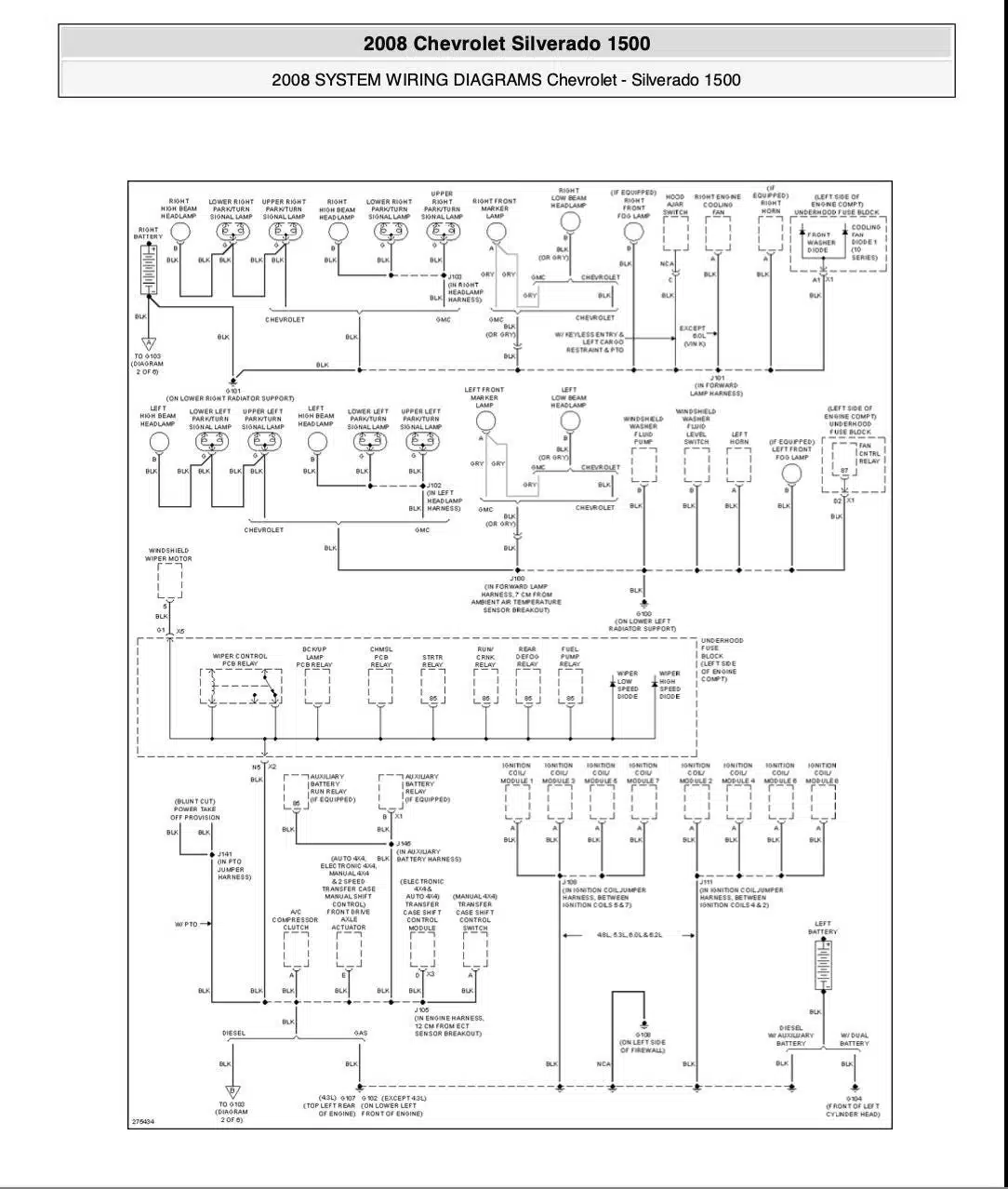
Wiring diagrams
✅ Why Choose These Manuals?
-
Extensive coverage of vehicle systems
-
Clearly structured repair and maintenance procedures
-
Easy-to-follow instructions suitable for various skill levels
-
Professionally illustrated technical guidance
-
Ideal for repeated reference during servicing and repairs
🚘 Vehicle Compatibility:
-
Chevrolet Silverado (2007–2014)
-
All engine variants
✨ Ideal For:
-
DIY vehicle owners
-
Automotive technicians
-
Repair workshops and service centers
🛒 Shop with Confidence:
Customer satisfaction is important to us. If you have any questions or need assistance, our support team is always available to help.
⭐ Reliable information for accurate vehicle maintenance and repair






Reviews
Clear filtersThere are no reviews yet.