Fast delivery within 1 Hours
Mazda 3 2013-2016 Service Manual Repair, Workshop Service Repair
$ 5,99
Description
Comprehensive Mazda 3 Workshop Manual 2013-2016 | Aftermarket Repair Guide
Complete Service & Maintenance Manual | 2.0L & 2.5L Petrol Engines | Step-by-Step Instructions
Professional aftermarket workshop manual for Mazda 3 repair and maintenance. This comprehensive guide provides detailed technical information, step-by-step procedures, high-quality diagrams, photographs, and technical illustrations for all major vehicle systems.
📋 Manual Specifications:
Language: English
Pages: 10,229 comprehensive pages
Coverage: Complete vehicle systems – 2.0L and 2.5L petrol engines
Quality: Professional-grade technical documentation
🔧 Complete Workshop Manual Coverage:
Engine Systems:
Engine maintenance procedures
Engine repair instructions
Engine electrical system diagnostics
Fuel preparation and control systems
Fuel supply systems
Cooling system service
Exhaust system repair
Transmission & Drivetrain:
Manual gearbox service
Automatic transmission repair
Twin-clutch gearbox (DKG) maintenance
Clutch repair procedures
Gearshift mechanisms
Transfer box service
Engine and transmission mounting
Suspension & Steering:
Front axle repair
Front suspension maintenance
Steering system service
Wheel alignment procedures
Rear axle maintenance
Rear-wheel drive systems
Integrated suspension systems
Brake Systems:
Brake repair procedures
Brake system maintenance
Pedal mechanisms
Brake diagnostics
Wheels & Tires:
Wheel service procedures
Tire specifications
Wheel maintenance
Body & Interior:
Body repair procedures
Body equipment service
Seat repair and adjustment
Slide/tilt sunroof maintenance
Soft top service procedures
Electrical & Electronics:
Audio system service
Navigation system repair
Information systems
Distance control systems
Cruise control maintenance
Remote operation systems
Communication systems
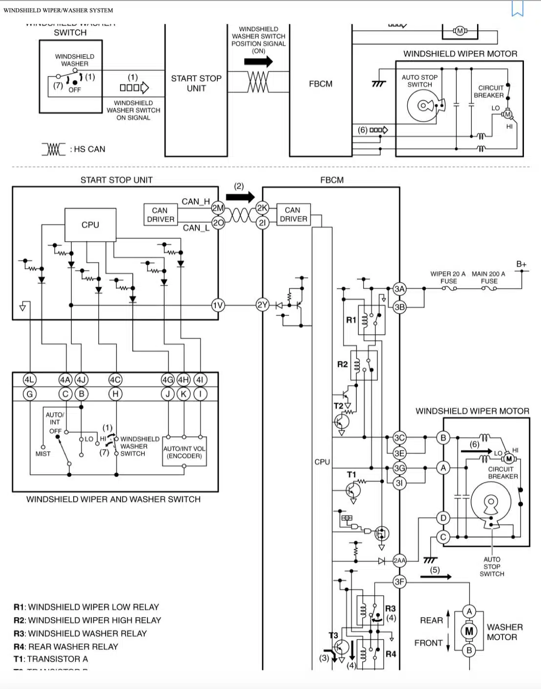
Complete wiring diagrams
Electric Powertrain:
Electric motor service
Electric motor maintenance
Electric motor diagnostics
Parts & Accessories:
Engine parts identification
Chassis parts reference
Body parts catalog
Accessories guide
Additional Technical Information:
Paint specifications
Color codes
Technical specifications
✅ Workshop Manual Features:
✔️ Step-by-Step Instructions – Clear repair procedures
✔️ Technical Diagrams – Detailed component illustrations
✔️ Wiring Diagrams – Complete electrical schematics
✔️ Exploded Views – Parts identification made easy
✔️ Torque Specifications – Accurate fastener data
✔️ Maintenance Schedules – Service interval information
✔️ Troubleshooting Guides – Diagnostic procedures
✔️ Parts Catalogs – Component reference sections
✔️ Technical Data – Specifications and measurements
✔️ Professional Quality – Workshop-grade information
✔️ SKYACTIV Technology – Detailed coverage of Mazda’s efficient engine technology
🚘 Vehicle Application:
Mazda 3 (BM/BN Platform – Third Generation)
Model Years: 2013, 2014, 2015, 2016
Engine Variants:
2.0L SKYACTIV-G Petrol Engine
2.5L SKYACTIV-G Petrol Engine
All Body Styles: Sedan (4-door) and Hatchback (5-door)
🔍 Search & Reference:
Fully indexed for quick reference
Searchable content
Organized by system
Easy navigation
Cross-referenced information
✨ Ideal For:
✅ DIY Mechanics – Home garage repairs
✅ Professional Technicians – Workshop service
✅ Auto Repair Shops – Complete service information
✅ Automotive Students – Technical training reference
✅ Car Enthusiasts – In-depth vehicle knowledge
✅ Independent Garages – Professional repair resource
✅ Mobile Mechanics – Portable reference guide
🔧 Service & Repair Information Included:
Maintenance: Routine service procedures, fluid changes, filter replacement, inspection checklists, scheduled maintenance intervals
Diagnostics: Troubleshooting guides, error code information, testing procedures, sensor diagnostics, system checks, OBD-II codes
Repair: Component replacement, adjustment procedures, rebuild instructions, overhaul guides, removal and installation procedures
Technical Data: Torque values, clearances, specifications, capacities, fluid types, bolt tightening sequences, gap measurements
Electrical: Complete wiring diagrams, connector locations, circuit descriptions, pin configurations, fuse locations, relay positions
⚠️ Important Information:
AFTERMARKET MANUAL: This is a third-party aftermarket repair manual compiled from publicly available technical service information. This manual is not an official Mazda Motor Corporation publication and is not affiliated with, endorsed by, or connected to Mazda Motor Corporation or their authorized dealers. All vehicle names, model designations, and trademarks are the property of their respective owners and are used for vehicle identification and compatibility purposes only.
TECHNICAL REFERENCE: This manual is intended as a supplementary technical reference for vehicle repair and maintenance. Always follow manufacturer recommendations, safety procedures, and proper repair techniques.






Reviews
Clear filtersThere are no reviews yet.